| 索引号: |
/202210-00096 |
信息分类: |
国土资源、能源,其他 |
| 内容分类: |
办事指南 |
发文日期: |
2026-01-08 09:41:12 |
| 发布机构: |
舒城县 |
生成日期: |
2026-01-08 09:41:12 |
| 来源单位: |
舒城县自然资源局 |
| 生效时间: |
|
废止时间: |
|
| 名 称: |
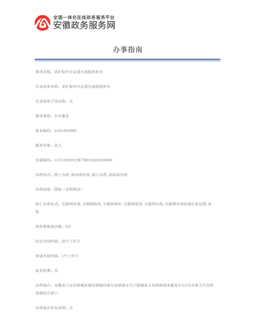
采矿权许可证遗失或损毁补办 |
| 文 号: |
|
关键词: |
|
| 索引号: |
/202210-00096 |
| 信息分类: |
国土资源、能源,其他 |
| 内容分类: |
办事指南 |
| 发文日期: |
2026-01-08 09:41:12 |
| 发布机构: |
舒城县 |
| 生成日期: |
2026-01-08 09:41:12 |
| 来源单位: |
舒城县自然资源局 |
| 生效时间: |
|
| 废止时间: |
|
| 名 称: |
采矿权许可证遗失或损毁补办 |
| 文 号: |
|
| 关键词: |
|
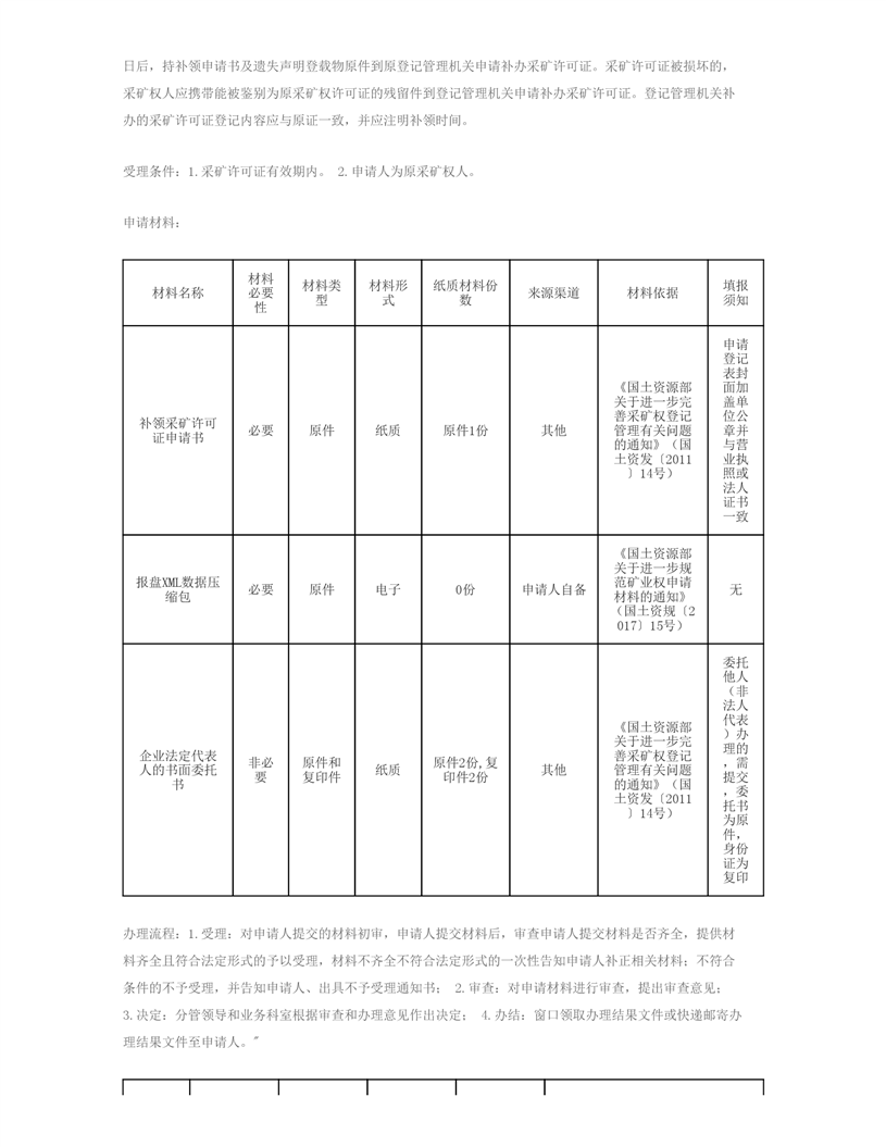
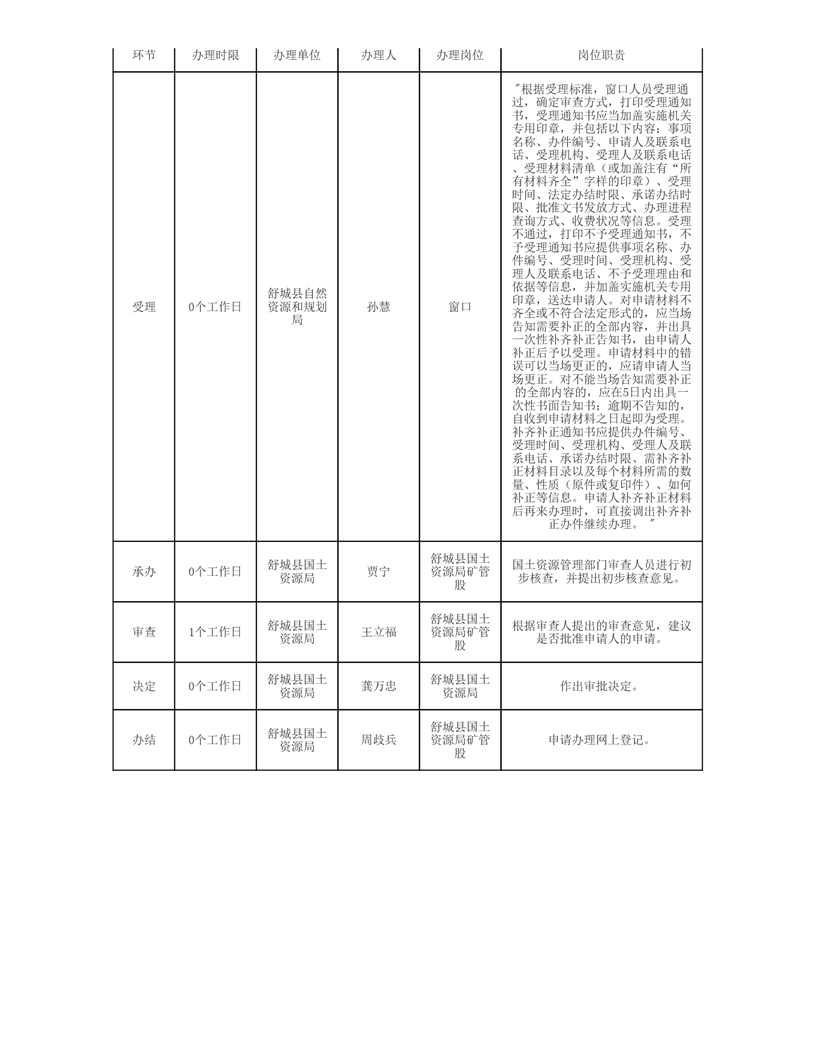
采矿权许可证遗失或损毁补办